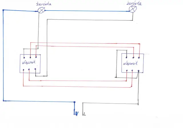
Jak podłączyć przekaźnik czasowy - proste instrukcje i schematy
Dowiedz się, jak podłączyć przekaźnik czasowy krok po kroku. Proste instrukcje i schematy pomogą Ci w łatwej instalacji i konfiguracji.
Dowiedz się, jak podłączyć przekaźnik czasowy krok po kroku. Proste instrukcje i schematy pomogą Ci w łatwej instalacji i konfiguracji.
Dowiedz się, jak podłączyć telewizor jako drugi monitor i skonfiguruj optymalne ustawienia, aby cieszyć się doskonałą jakością obrazu i dźwięku.
Dowiedz się, jak prawidłowo podłączyć wyłącznik schodowy podwójny, unikając najczęstszych błędów. Zwiększ bezpieczeństwo i komfort w swoim domu!
Dowiedz się, jak podłączyć Nintendo Switch do komputera i grać bez problemów. Poznaj metody Bluetooth i USB oraz optymalizuj połączenie sieciowe dla streamingu.
Naucz się, jak podłączyć pada do telewizora LG w prosty sposób. Sprawdź nasze porady dotyczące Bluetooth i kompatybilnych kontrolerów, aby grać bez przeszkód!
Dowiedz się, jak podłączyć głośniki do subwoofera aktywnego, unikając najczęstszych błędów. Zwiększ jakość dźwięku i ciesz się lepszym brzmieniem!
Podłącz internet do komputera w prosty sposób! Sprawdź nasze porady dotyczące kabli Ethernet, Wi-Fi oraz adapterów, aby cieszyć się szybkim dostępem do sieci.
Dowiedz się, jak podłączyć telewizor Samsung do anteny naziemnej. Proste kroki i praktyczne porady, które zapewnią lepszy odbiór sygnału telewizyjnego.
Dowiedz się, jak prawidłowo podłączyć mikrofon do SPC Gear Viro Plus. Proste kroki i porady, które pomogą uzyskać najlepszą jakość dźwięku.
Dowiedz się, jak podłączyć cyrkulację do bojlera, unikając typowych błędów. Sprawdź kluczowe komponenty i techniki, które zapewnią efektywność systemu.
Dowiedz się, jak podłączyć pada od PS3 do telefonu bez kabla. Poznaj sprawdzone metody i ograniczenia, które warto znać przed rozpoczęciem gry.
Jak podłączyć pompę co do prądu? Poznaj najczęstsze błędy i skuteczne metody, aby zapewnić bezpieczeństwo i wydajność swojego systemu grzewczego.
Sprawdź, jak sprawdzić kto jest podłączony do wifi i zabezpieczyć swoją sieć przed nieautoryzowanym dostępem. Zyskaj kontrolę nad swoją siecią!
Dowiedz się, jak podłączyć miernik uniwersalny, aby uniknąć błędów i pomyłek. Poznaj kluczowe zasady, które zapewnią dokładność pomiarów i bezpieczeństwo.
Dowiedz się, jak łatwo podłączyć drukarkę Epson do Wi-Fi i ciesz się bezprzewodowym drukowaniem. Krok po kroku, bez problemów!
Jak podłączyć telewizor do gniazda antenowego? Sprawdź, jak uniknąć problemów z sygnałem i ciesz się stabilnym odbiorem ulubionych kanałów.
Dowiedz się, jak podłączyć włącznik schodowy podwójny z pojedynczym bez błędów. Proste kroki, które zapewnią prawidłowe działanie i bezpieczeństwo instalacji.
Dowiedz się, jak podłączyć termostat do maty grzewczej, unikając najczęstszych błędów. Zwiększ efektywność ogrzewania i komfort w swoim domu!
Dowiedz się, jak prawidłowo podłączyć plafon led z pilotem. Krok po kroku, unikaj błędów i ciesz się nowym oświetleniem w swoim domu!
Dowiedz się, jak podłączyć włącznik podświetlany 12v, unikając typowych błędów. Zrozum podstawowe zaciski i zapewnij prawidłowe działanie urządzenia.
Dowiedz się, jak podłączyć antenę do napędu bramy FAAC 740, aby zapewnić stabilny sygnał i uniknąć problemów z działaniem systemu.
Dowiedz się, jak podłączyć żarówki LED 230V w suficie, unikając najczęstszych błędów. Zastosuj nasze praktyczne porady i ciesz się bezpiecznym oświetleniem.
Podłącz telefon do Ford Focus MK2 w kilku prostych krokach. Sprawdź, jak łatwo włączyć Bluetooth i cieszyć się muzyką oraz połączeniami bezprzewodowymi.
Dowiedz się, jak podłączyć transmiter do telefonu, aby cieszyć się muzyką bez zakłóceń. Proste kroki i wskazówki na poprawę jakości dźwięku.
Dowiedz się, jak podłączyć drugi router do FunBoxa, aby zwiększyć zasięg i wydajność sieci. Proste kroki, które rozwiążą Twoje problemy z połączeniem.
Dowiedz się, jak podłączyć Denon do telewizora w kilku prostych krokach. Zyskaj najlepszą jakość dźwięku i obrazu dzięki naszym praktycznym poradom.
Dowiedz się, jak podłączyć dekoder do telewizora za pomocą HDMI oraz innych metod. Proste kroki, które ułatwią Ci konfigurację i korzystanie z dekodera.