Jak podłączyć pada od PS3 do telefonu bez kabla – proste sposoby i ograniczenia
Dowiedz się, jak podłączyć pada od PS3 do telefonu bez kabla. Poznaj sprawdzone metody i ograniczenia, które warto znać przed rozpoczęciem gry.
Dowiedz się, jak podłączyć pada od PS3 do telefonu bez kabla. Poznaj sprawdzone metody i ograniczenia, które warto znać przed rozpoczęciem gry.
Jak podłączyć pompę co do prądu? Poznaj najczęstsze błędy i skuteczne metody, aby zapewnić bezpieczeństwo i wydajność swojego systemu grzewczego.
Sprawdź, jak sprawdzić kto jest podłączony do wifi i zabezpieczyć swoją sieć przed nieautoryzowanym dostępem. Zyskaj kontrolę nad swoją siecią!
Dowiedz się, jak podłączyć miernik uniwersalny, aby uniknąć błędów i pomyłek. Poznaj kluczowe zasady, które zapewnią dokładność pomiarów i bezpieczeństwo.
Dowiedz się, jak łatwo podłączyć drukarkę Epson do Wi-Fi i ciesz się bezprzewodowym drukowaniem. Krok po kroku, bez problemów!
Jak podłączyć telewizor do gniazda antenowego? Sprawdź, jak uniknąć problemów z sygnałem i ciesz się stabilnym odbiorem ulubionych kanałów.
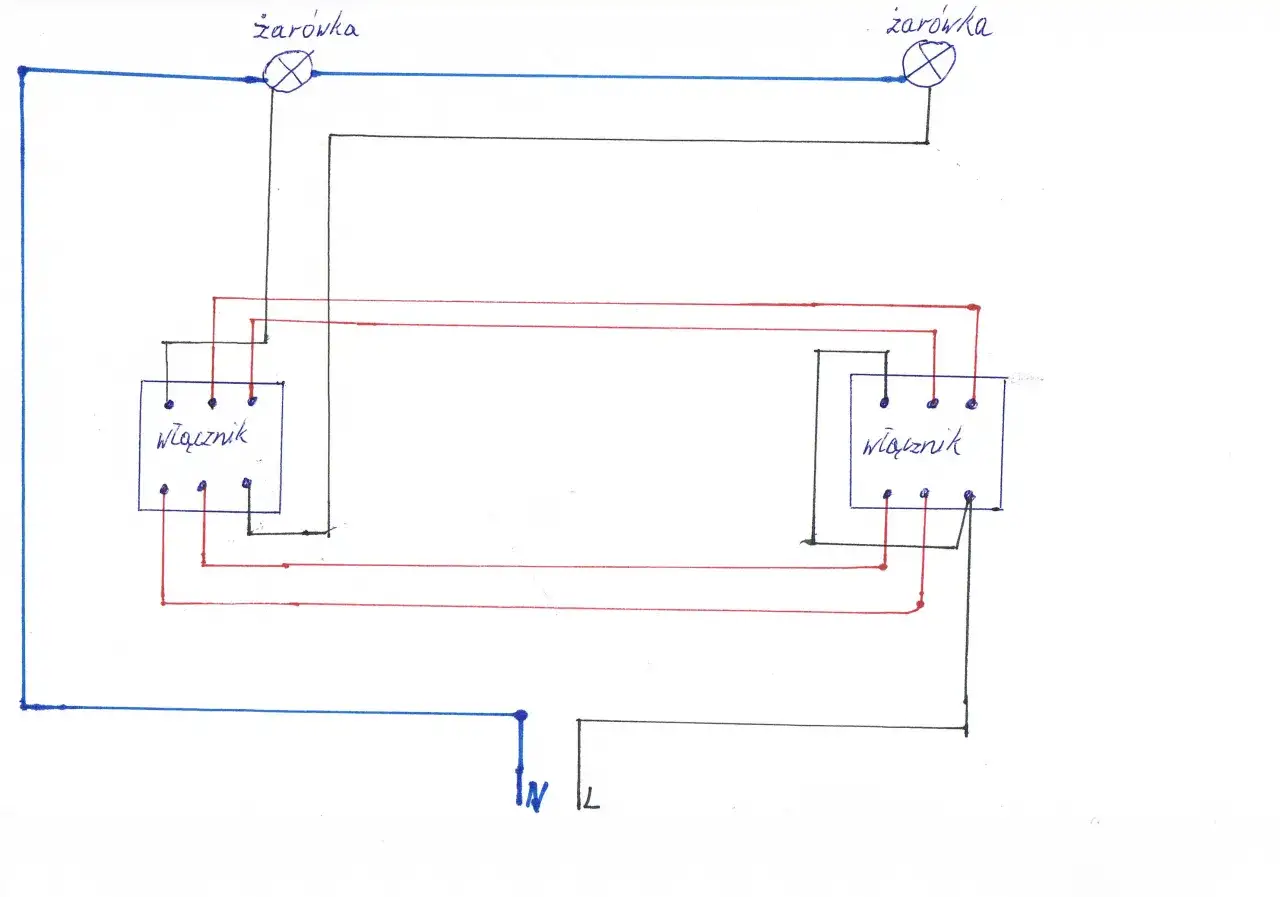
Dowiedz się, jak podłączyć włącznik schodowy podwójny z pojedynczym bez błędów. Proste kroki, które zapewnią prawidłowe działanie i bezpieczeństwo instalacji.
Dowiedz się, jak podłączyć termostat do maty grzewczej, unikając najczęstszych błędów. Zwiększ efektywność ogrzewania i komfort w swoim domu!
Dowiedz się, jak prawidłowo podłączyć plafon led z pilotem. Krok po kroku, unikaj błędów i ciesz się nowym oświetleniem w swoim domu!
Dowiedz się, jak podłączyć włącznik podświetlany 12v, unikając typowych błędów. Zrozum podstawowe zaciski i zapewnij prawidłowe działanie urządzenia.
Dowiedz się, jak podłączyć antenę do napędu bramy FAAC 740, aby zapewnić stabilny sygnał i uniknąć problemów z działaniem systemu.
Dowiedz się, jak podłączyć żarówki LED 230V w suficie, unikając najczęstszych błędów. Zastosuj nasze praktyczne porady i ciesz się bezpiecznym oświetleniem.
Podłącz telefon do Ford Focus MK2 w kilku prostych krokach. Sprawdź, jak łatwo włączyć Bluetooth i cieszyć się muzyką oraz połączeniami bezprzewodowymi.
Dowiedz się, jak podłączyć transmiter do telefonu, aby cieszyć się muzyką bez zakłóceń. Proste kroki i wskazówki na poprawę jakości dźwięku.
Dowiedz się, jak podłączyć drugi router do FunBoxa, aby zwiększyć zasięg i wydajność sieci. Proste kroki, które rozwiążą Twoje problemy z połączeniem.
Dowiedz się, jak podłączyć Denon do telewizora w kilku prostych krokach. Zyskaj najlepszą jakość dźwięku i obrazu dzięki naszym praktycznym poradom.
Dowiedz się, jak podłączyć dekoder do telewizora za pomocą HDMI oraz innych metod. Proste kroki, które ułatwią Ci konfigurację i korzystanie z dekodera.
Dowiedz się, jak podłączyć wąż odpływowy zmywarki, aby uniknąć przecieków i zapewnić prawidłowe działanie urządzenia. Sprawdź nasze wskazówki!
Dowiedz się, jak podłączyć butlę gazową do kuchenki turystycznej, unikając powszechnych błędów. Bezpieczne i skuteczne gotowanie na świeżym powietrzu!
Dowiedz się, jak podłączyć dodatkowy akumulator w samochodzie, aby poprawić wydajność systemu elektrycznego i uniknąć problemów z ładowaniem.
Dowiedz się, jak prawidłowo podłączyć kable do miernika elektrycznego. Uniknij błędów i uszkodzeń, aby uzyskać dokładne pomiary i bezpieczeństwo.
Dowiedz się, jak podłączyć internet z Wi-Fi na kabel, aby poprawić stabilność połączenia i cieszyć się szybszym dostępem do internetu w domu.
Naucz się, jak podłączyć gniazdko natynkowe bez błędów. Sprawdź nasze porady dotyczące bezpieczeństwa i właściwego montażu, aby uniknąć problemów.
Dowiedz się, jak podłączyć elektrozawór hydrauliczny, unikając najczęstszych błędów. Zastosuj sprawdzone techniki i ciesz się bezawaryjnym działaniem systemu.
Dowiedz się, jak podłączyć dysk do routera bez USB. Poznaj alternatywne metody, aby uzyskać dostęp do plików w sieci bez zbędnych problemów.