Kluczowe informacje:
- Bezpieczeństwo jest najważniejsze - zawsze wyłącz zasilanie przed rozpoczęciem prac.
- Włącznik schodowy podwójny umożliwia sterowanie dwiema lampami z różnych miejsc.
- Dokładne zrozumienie struktury włączników jest kluczowe dla prawidłowego podłączenia.
- Typowe błędy, takie jak błędne podłączenie przewodów, mogą prowadzić do awarii.
- Regularne testowanie działania włączników po instalacji jest niezbędne do zapewnienia ich prawidłowego funkcjonowania.
Jak prawidłowo podłączyć włącznik schodowy podwójny z pojedynczym
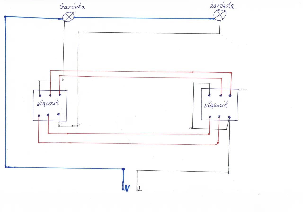
Podłączenie włącznika schodowego podwójnego z pojedynczym jest kluczowym zadaniem, które umożliwia komfortowe sterowanie oświetleniem w różnych częściach pomieszczenia. Włącznik schodowy podwójny składa się z dwóch niezależnych obwodów, co pozwala na kontrolowanie dwóch lamp z różnych miejsc. Aby prawidłowo wykonać instalację, należy postępować zgodnie z określonymi krokami, które zapewnią prawidłowe działanie całego układu.
Na początku musisz upewnić się, że wszystkie przewody są odpowiednio podłączone. Zacisk oznaczony "L" jest wejściem, do którego podłączasz przewód fazowy z zasilania. Zaciski "2" i "4" służą jako wyjścia dla pierwszego obwodu, natomiast "3" i "5" dla drugiego. Prawidłowe podłączenie przewodów łącznikowych do odpowiednich zacisków wyjściowych jest kluczowe dla zapewnienia, że obie lampy będą działały zgodnie z oczekiwaniami.
Krok po kroku: Wymagane narzędzia i materiały do instalacji
Aby skutecznie podłączyć włącznik schodowy, potrzebujesz odpowiednich narzędzi i materiałów. Oto lista kluczowych elementów, które będą niezbędne do przeprowadzenia instalacji:
- Wkrętarka akumulatorowa - do łatwego montażu włączników i dokręcania śrub.
- Próbnik napięcia - do sprawdzenia, czy w instalacji nie ma napięcia przed rozpoczęciem pracy.
- Obcinaczki - do przycinania przewodów na odpowiednią długość.
- Śrubokręt płaski i krzyżakowy - do instalacji włączników i podłączenia przewodów.
- Izolacja elektryczna - do zabezpieczenia połączeń, aby zapobiec zwarciom.
| Narzędzie | Marka | Specyfikacja |
| Wkrętarka akumulatorowa | Makita | 18V, 1.5Ah |
| Próbnik napięcia | Fluke | Model 1AC-A1 |
| Obcinaczki | Knipex | 160 mm, z ostrzami ze stali węglowej |
Zrozumienie działania włączników schodowych: Kluczowe informacje
Włączniki schodowe działają na zasadzie umożliwienia sterowania oświetleniem z dwóch różnych miejsc. Włącznik schodowy podwójny pozwala na niezależne sterowanie dwoma lampami, co jest przydatne w długich korytarzach lub dużych pomieszczeniach. Z kolei włącznik pojedynczy działa jako końcowy element obwodu, co umożliwia włączenie lub wyłączenie jednej lampy z drugiego miejsca. Zrozumienie tych zasad jest kluczowe dla prawidłowego podłączenia i efektywności działania całego systemu oświetleniowego.
Bezpieczeństwo podczas podłączania włączników schodowych
Podczas podłączania włączników schodowych, bezpieczeństwo jest kluczowe. Przed przystąpieniem do jakichkolwiek prac elektrycznych, należy zawsze wyłączyć zasilanie w obwodzie. To podstawowy krok, który chroni przed porażeniem prądem. Ważne jest również, aby upewnić się, że wszystkie przewody są odpowiednio zabezpieczone i nie ma ryzyka zwarcia. Przestrzeganie tych zasad pomoże stworzyć bezpieczne środowisko pracy.
Warto pamiętać, że prace elektryczne powinny być przeprowadzane w odpowiednich warunkach. Używanie narzędzi, które są w dobrym stanie technicznym, oraz stosowanie odpowiednich środków ochrony osobistej, takich jak rękawice izolacyjne, znacząco zwiększa bezpieczeństwo. Zawsze warto mieć pod ręką próbnik napięcia, aby upewnić się, że w instalacji nie ma prądu przed rozpoczęciem jakiejkolwiek pracy.
Jak wyłączyć zasilanie i sprawdzić instalację elektryczną
Aby bezpiecznie wyłączyć zasilanie, należy zlokalizować skrzynkę rozdzielczą w swoim domu. Po jej otwarciu, znajdź odpowiedni bezpiecznik lub wyłącznik, który odpowiada za zasilanie obwodu, w którym będziesz pracować. Po wyłączeniu zasilania, warto użyć próbnika napięcia, aby upewnić się, że nie ma napięcia w przewodach. To prosta, ale niezwykle istotna procedura, która zapobiega niebezpieczeństwom związanym z pracą przy instalacji elektrycznej.
Najważniejsze zasady bezpieczeństwa przy pracy z elektrycznością
Podczas pracy z elektrycznością, istnieje kilka kluczowych zasad, które należy przestrzegać. Przede wszystkim, zawsze noś odpowiednią odzież ochronną, w tym rękawice izolacyjne i obuwie, które chroni przed porażeniem. Unikaj pracy w mokrych lub wilgotnych warunkach, ponieważ zwiększa to ryzyko porażenia prądem. Dodatkowo, upewnij się, że narzędzia, które używasz, są dobrze izolowane i w dobrym stanie, co znacząco poprawia bezpieczeństwo pracy.
Czytaj więcej: Jak podłączyć domofon Eura - uniknij najczęstszych błędów w instalacji
Jak uniknąć najczęstszych błędów przy podłączeniu
Podczas instalacji włączników schodowych, unikanie typowych błędów jest kluczowe dla zapewnienia prawidłowego działania całego systemu. Wiele osób popełnia błędy, które mogą prowadzić do problemów z oświetleniem lub nawet do uszkodzenia sprzętu. Zrozumienie tych pułapek pozwala na ich uniknięcie i zapewnia, że jak podłączyć włącznik schodowy podwójny z pojedynczym stanie się prostsze. Warto zwrócić uwagę na najczęstsze pomyłki, aby uniknąć nieprzyjemnych niespodzianek.
Jednym z najczęstszych błędów jest nieprawidłowe podłączenie przewodów, co może prowadzić do nieprawidłowego działania włączników. Kolejnym problemem jest mylenie zacisków, co skutkuje brakiem możliwości włączenia lub wyłączenia lamp. Niezrozumienie schematu działania włączników również może prowadzić do poważnych komplikacji. Poniżej przedstawiamy listę najczęstszych błędów oraz ich konsekwencje, aby pomóc w ich uniknięciu.
Typowe pomyłki przy instalacji włączników schodowych
Podczas instalacji włączników schodowych, często spotykanym błędem jest nieprawidłowe oznaczenie przewodów. W rezultacie, użytkownicy mogą podłączać przewody do niewłaściwych zacisków, co prowadzi do ich nieprawidłowego działania. Innym powszechnym błędem jest niedostateczne dokręcenie śrub, co może skutkować luźnymi połączeniami, a w efekcie - iskrzeniem lub przerwaniem obwodu. Ponadto, wykorzystanie niewłaściwych narzędzi do instalacji może prowadzić do uszkodzenia włączników lub przewodów, co również wpływa na ich funkcjonalność. Zrozumienie tych błędów jest kluczowe dla prawidłowego podłączenia systemu oświetleniowego.
Jak poprawnie zidentyfikować i podłączyć przewody
Aby prawidłowo zidentyfikować i podłączyć przewody, ważne jest, aby znać ich funkcje. Przewód fazowy powinien być zawsze podłączony do zacisku oznaczonego "L", podczas gdy przewody wyjściowe powinny być podłączone zgodnie z oznaczeniami "2", "3", "4" i "5". Oznaczenia te mogą różnić się w zależności od producenta, dlatego zawsze warto zapoznać się z instrukcją obsługi. Dodatkowo, upewnij się, że przewody są dobrze izolowane i umieszczone w odpowiednich miejscach, aby uniknąć zwarć. Prawidłowe zrozumienie schematu połączeń jest niezbędne dla skutecznej instalacji.
- Nieprawidłowe oznaczenie przewodów - prowadzi do błędnego podłączenia.
- Niedostateczne dokręcenie śrub - może skutkować luźnymi połączeniami.
- Wykorzystanie niewłaściwych narzędzi - prowadzi do uszkodzenia sprzętu.

Diagnostyka i rozwiązywanie problemów po instalacji
Po zakończeniu instalacji włączników schodowych, kluczowe jest przeprowadzenie testów, aby upewnić się, że wszystko działa poprawnie. Aby to zrobić, należy włączyć zasilanie i sprawdzić działanie każdego włącznika osobno. Powinno się upewnić, że każdy włącznik skutecznie włącza i wyłącza odpowiednie lampy. Jeśli jedna z lamp nie reaguje, może to wskazywać na problem z połączeniami lub uszkodzenie włącznika.
W przypadku wystąpienia problemów, warto przeprowadzić diagnostykę. Należy sprawdzić, czy przewody są odpowiednio podłączone oraz czy nie ma uszkodzeń w instalacji. Warto również użyć próbnika napięcia, aby upewnić się, że w obwodzie jest prąd. Poniżej znajduje się lista typowych problemów oraz wskazówki, jak je rozwiązać.
Jak testować poprawność działania włączników schodowych
Aby przetestować poprawność działania włączników schodowych, należy najpierw włączyć zasilanie. Następnie, używając każdego włącznika, sprawdź, czy lampy włączają się i wyłączają zgodnie z oczekiwaniami. Jeśli włącznik podwójny nie działa, sprawdź, czy przewody są prawidłowo podłączone do zacisków. Oczekiwanym wynikiem jest to, że każdy włącznik powinien działać niezależnie, kontrolując swoją przypisaną lampę. Jeśli problemy nadal występują, może być konieczne ponowne sprawdzenie połączeń lub skonsultowanie się z elektrykiem.
- Włącznik nie działa - sprawdź połączenia przewodów.
- Lampa nie włącza się - upewnij się, że w obwodzie jest napięcie.
- Włącznik działa, ale lampa nie - sprawdź, czy lampa jest sprawna.
Co zrobić, gdy włączniki nie działają prawidłowo
Gdy włączniki schodowe nie działają tak, jak powinny, warto przeprowadzić kilka kroków diagnostycznych. Po pierwsze, upewnij się, że zasilanie jest włączone i że w obwodzie jest napięcie. Następnie sprawdź, czy wszystkie przewody są prawidłowo podłączone do odpowiednich zacisków. Często problemem mogą być luźne połączenia lub błędne podłączenie przewodów. Jeśli po sprawdzeniu połączeń włączniki nadal nie działają, rozważ wymianę włącznika na nowy, ponieważ uszkodzenie wewnętrzne może uniemożliwiać jego prawidłowe działanie.
- Sprawdź, czy zasilanie jest włączone i czy w obwodzie jest napięcie.
- Upewnij się, że przewody są prawidłowo podłączone i mocno dokręcone.
- Rozważ wymianę włącznika, jeśli problem nadal występuje.
Jak zintegrować inteligentne włączniki z tradycyjnymi instalacjami
W dzisiejszych czasach, inteligentne włączniki stają się coraz bardziej popularne w domach, oferując wygodę oraz możliwość zdalnego sterowania oświetleniem. Integracja tych nowoczesnych rozwiązań z istniejącymi tradycyjnymi instalacjami elektrycznymi, takimi jak włącznik schodowy podwójny z pojedynczym, może znacząco zwiększyć funkcjonalność systemu oświetleniowego. Aby to osiągnąć, warto skorzystać z adapterów lub modułów smart, które pozwalają na połączenie tradycyjnych włączników z aplikacjami mobilnymi.
Przykładowo, można zamontować moduł, który będzie współpracować z istniejącymi włącznikami, umożliwiając ich zdalne sterowanie przez aplikację na smartfonie. Dzięki temu, zamiast fizycznie włączać światło, można to zrobić z dowolnego miejsca w domu. Ponadto, inteligentne włączniki często oferują funkcje takie jak harmonogramy oświetlenia czy zdalne sterowanie głosowe, co jeszcze bardziej podnosi komfort użytkowania. Warto więc rozważyć taką modernizację, aby dostosować swoje oświetlenie do nowoczesnych standardów i potrzeb użytkowników.






