
Jak podłączyć ściemniacz: proste kroki i najczęstsze błędy do uniknięcia
Dowiedz się, jak podłączyć ściemniacz krok po kroku, unikając najczęstszych błędów. Zwiększ komfort swojego oświetlenia już dziś!

Dowiedz się, jak podłączyć ściemniacz krok po kroku, unikając najczęstszych błędów. Zwiększ komfort swojego oświetlenia już dziś!

Podłącz urządzenie Polux Tuya WiFi w prosty sposób. Sprawdź nasze kroki, aby szybko skonfigurować i cieszyć się inteligentnym domem bez problemów.

Masz słaby sygnał DVB-T2 z anteny pokojowej? Odkryj skuteczne metody wzmocnienia, od prostych trików po wybór sprzętu. Sprawdź nasz poradnik!

Dowiedz się, jak podłączyć drugiego pada do Xboxa, aby cieszyć się emocjonującą grą w multiplayer z przyjaciółmi i rodziną.

Sprawdź, jaka sieć ma największy zasięg w Polsce. Porównaj oferty operatorów i wybierz najlepszą sieć dla siebie, aby cieszyć się stabilnym połączeniem.

Dowiedz się, jak podłączyć przekaźnik czasowy krok po kroku. Proste instrukcje i schematy pomogą Ci w łatwej instalacji i konfiguracji.

Naucz się, jak podłączyć pada do telewizora LG w prosty sposób. Sprawdź nasze porady dotyczące Bluetooth i kompatybilnych kontrolerów, aby grać bez przeszkód!

Dowiedz się, jak podłączyć pada od PS3 do telefonu bez kabla. Poznaj sprawdzone metody i ograniczenia, które warto znać przed rozpoczęciem gry.

Sprawdź, jak sprawdzić kto jest podłączony do wifi i zabezpieczyć swoją sieć przed nieautoryzowanym dostępem. Zyskaj kontrolę nad swoją siecią!

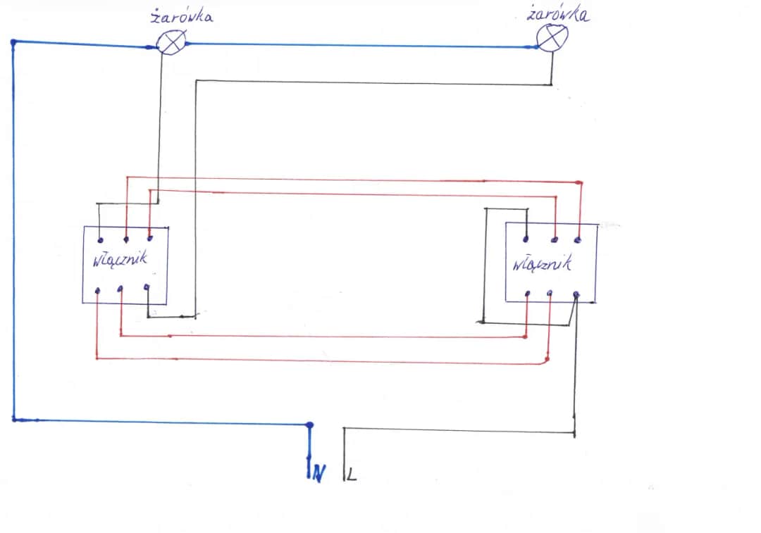
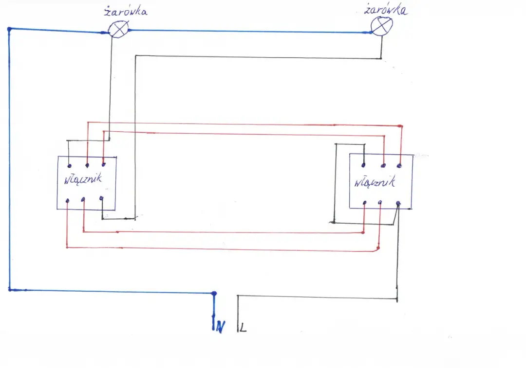
Dowiedz się, jak podłączyć włącznik schodowy podwójny z pojedynczym bez błędów. Proste kroki, które zapewnią prawidłowe działanie i bezpieczeństwo instalacji.